找回密码
 立即注册

QQ登录

只需一步,快速开始

查看: 2267|回复: 0

联想G430 LA-4211P掉电维修一例

[复制链接]
发表于 2014-6-18 14:49:13 | 显示全部楼层 |阅读模式
机器型号:联想G430
主板版号: LA-4211P
       一台G430 LA-4211P的机器,故障为待机0.01,按下开机键后电流0.03,等待40秒钟后到0.8再跳变到1.3几就亮机了,等进系统过了欢迎界面就掉电了,看了这故障感觉有点怪啊,很少碰到触发要等那么久的机器啊!上图,查了查按下开关后只有1.8v先出来了,其他的1.5V,显卡核心GFX_VCC也没有出来,一路追查1.5V,查6228的24脚开启为0V,
1.jpg
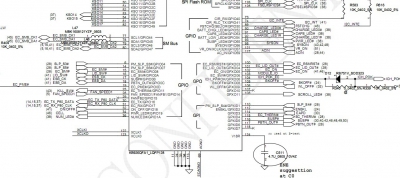
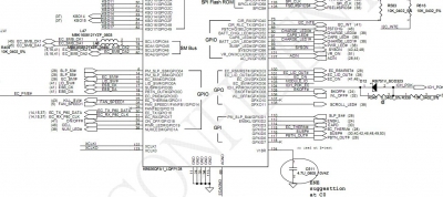
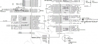
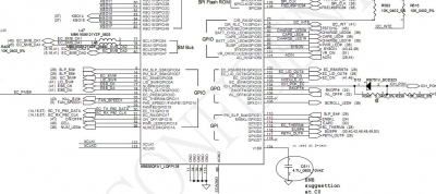
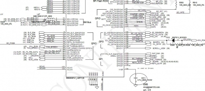
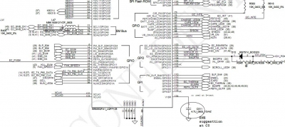
一路追查SUSP#来自EC, 原来EC已经被人家更换了一个,更加搞笑的是竟然换了个KB926QF C0的版本,现在我就上EC的图
2.jpg
发现图上的EC版号是KB926QF  A1的版本,于是直接把EC换了A1的版本后,机器一切恢复正常,按下开关3秒就上电了,成功修复
EC.jpg

亮机.jpg
您需要登录后才可以回帖 登录 | 立即注册

本版积分规则

QQ|Archiver|手机版|小黑屋|乐清九晨电脑维修 ( 浙ICP备14014299号|33038202002653号 )

浙公网安备 33038202002653号

GMT+8, 2026-5-23 22:06 , Processed in 0.093750 second(s), 31 queries .

Powered by Discuz! X3.5

© 2001-2025 Discuz! Team.

快速回复 返回顶部 返回列表